はったり盗難警報機



 量販店などでよく見かける盗難警報機コーナー。はったりのLEDがただ点滅するだけの物でも結構な値段がします。私の車にはちゃんとした盗難警報機が付いていますが、最近の物騒な世の中のことを考え、皆さんのお役に立てればな〜と思い、自作してみました。ただLEDが点滅するだけの物ですので、実際に盗難警報機の役目は果たしません。しかし、格安で作れるので、何も付いていない方、作ってみてはいかがですか?

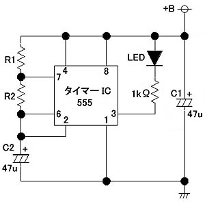
回路図
 これが今回自作したはったり盗難警報機?!の回路図です。ただLEDが点滅するだけの簡単な回路です。ここで使用している電子部品は、秋葉原にいけば数百円でそろうと思います。既製品を買うよりも数段安いですし、既製品ですとはったりかどうかはプロの窃盗集団には簡単に見破られてしまうことでしょう。だったら自作してそれらしく取り付ければ良いのでは?!と思いませんか?
 回路の説明をしますと、タイマーIC555を使用し、R1、R2、C2で点灯と消灯の時間を決めています。ICによってLEDに電流を流したり、電流を止めたりしています。使用する素子は、抵抗は1/4W以上、電解コンは耐圧16V以上の物にしてください。
点滅の間隔の計算の方法は、
・LED点灯時間=0.7×C2×R2(秒)
・LED消灯時間=0.7×C2×(R1+R2)(秒) になります。
今回はC2に47uF、R1=R2=10kΩとして作成いたしました。この定数ですと、点灯している時間は約0.35秒、消灯時間は約0.7秒となります。自分でお好みの時間を算出し、定数を変えて作成されても良いと思います。私は何故この定数にしたかと言いますと、たまたま持っていた定数がこれだった・・・と言うだけです。(^^;;
 今回、ここで使用した物は以下の通りです。
・タイマーIC555×1個
・LED×1個
・抵抗10kΩ×2個、1kΩ×1個
・電解コン47uF×2個
・ユニバーサル基板(小)×1枚
できあがり
 作成した回路はこんな感じ・・・と言っても分かりませんね・・・基板実装状態の写真を撮る前に、太い熱収縮チューブで基板を絶縁しちゃいました。(^^;;
 まぁ、大きさがこれくらいになる、と言うことだけは分かると思います。かなり小さいので、どこにでも取り付けられると思います。
取り付け
 一応スープラのHPと言うことで、スープラに取り付けると言うことを前提として加工してみました。今回加工したところは、フロントライトウォッシャーのスイッチが付く部分(フォグランプのスイッチの上あたりにあります)のメクラ蓋を加工してみました。私の車はここにフロントライトウォッシャーのスイッチが付いていますので取り付けられませんが、ちょうど良い感じになると思います。右側の赤いのがLEDで、左側にはスイッチを取り付けてみました。
 尚、当方ではこの回路の作成・取り付けに当たっての事故等につきましては、一切責任を負いませんのでご了承下さい。また、これを取り付けた状態での盗難、車上荒らしにあったとしても、当方では一切責任を負いませんのでご了承下さい。